{{ 'fb_in_app_browser_popup.desc' | translate }} {{ 'fb_in_app_browser_popup.copy_link' | translate }}
{{ 'in_app_browser_popup.desc' | translate }}
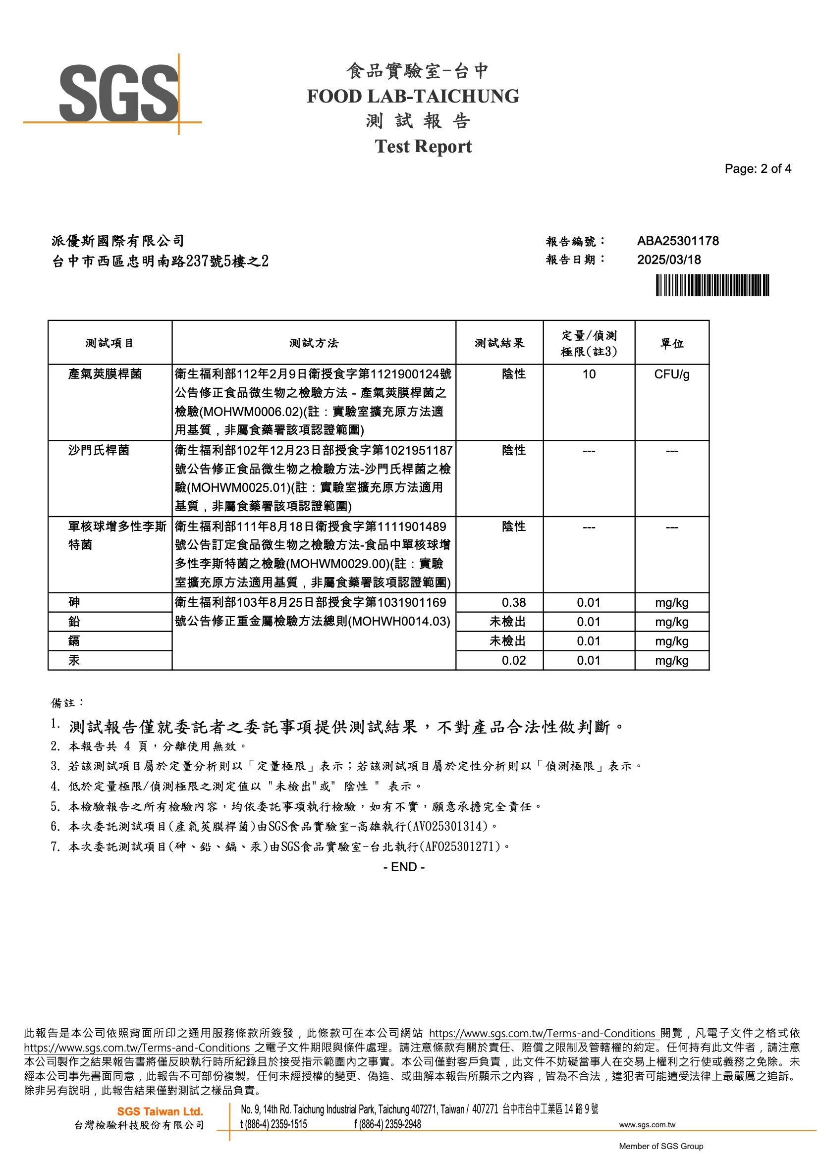
派斯生活『鮮酥虱目魚凍乾』
☆ 100% 天然虱目魚魚柳
☆ 0添加、0調味的原型食物
富含牛磺酸與 Omega-3天然營養成分,低負擔、高營養寵物零食!
Until 2026-04-16T16:00:00.000+00:00 4/11~4/16 國際寵物週|全館任選5件9折 on selected products
Until 2026-04-16T16:00:00.000+00:00 4/11~4/16 國際寵物週|滿2000送『雞柳凍乾』 on order
滿$1200享免運優惠 on order
Not enough stock.
Your item was not added to your cart.
Not enough stock.
Please adjust your quantity.
{{'products.quick_cart.out_of_number_hint'| translate}}
{{'product.preorder_limit.hint'| translate}}
Limit {{ product.max_order_quantity }} per order.
Only {{ quantityOfStock }} item(s) left.









